CONTACT US

CONTACT US

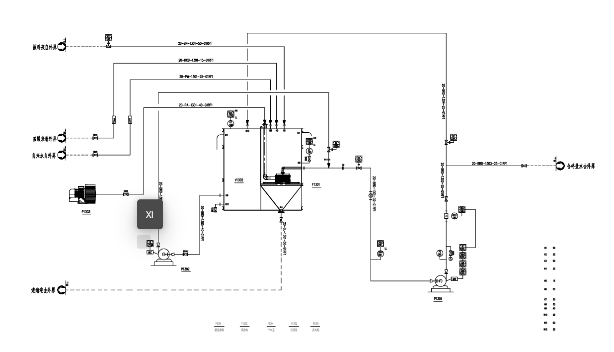
SIC flat sheet module piloting equipment

5 m³/h as this pilot dealing volume. It can be used on drinking water, wastewater, diary water or oil water (etc.) piloting treatment .There are 3 of SIC flat sheet modules in this equipment, total 7.5*3 as membrane filtering area.

Piloting Workflow Chart

If you have any questions, please leave us a message

*Name
*Phone
*Local area
*Email